Power Focus S HV
Информация об изделии
Общие сведения
Сигнальные слова, предупреждающие об опасности
Сигнальные слова Danger (Опасно), Warning (Предупреждение), Caution (Предостережение) и Notice (Уведомление) имеют следующие значения.
ОПАСНО | Указывает на опасную ситуацию, которая, если ее не предотвратить, приведет к гибели или серьезной травме. |
ПРЕДУПРЕЖДЕНИЕ | Указывает на опасную ситуацию, которая, если ее не предотвратить, может привести к гибели или серьезной травме. |
ПРЕДОСТЕРЕЖЕНИЕ | Вместе с символом предупреждения об опасности указывает на опасную ситуацию, которая, если ее не предотвратить, может привести к травме легкой или средней степени. |
УВЕДОМЛЕНИЕ | Используется для указания методов работы, не приводящих к травме. |
Гарантия
Срок действия гарантии на изделие истекает через 12+1 месяцев после отгрузки из дистрибьюторского центра компании Atlas Copco.
Гарантия не распространяется на нормальный износ деталей.
Нормальным называется износ, требующий замены детали или другой регулировки/переборки во время обычного технического обслуживания инструментов для данного периода (выраженного в единицах времени, часах работы или иным образом).
Гарантия на изделие действует при условии, что эксплуатация, техническое обслуживание и ремонт инструмента и его компонентов осуществляются правильно.
На повреждение деталей в результате технического обслуживания, выполненного ненадлежащим образом или силами иных лиц, кроме представителей компании Atlas Copco или ее сертифицированных партнеров по обслуживанию, в течение гарантийного срока, действие гарантии не распространяется.
Во избежание повреждения или разрушения деталей инструмента, ремонтное обслуживание инструмента должно проводиться в соответствии с рекомендованными графиками технического обслуживания с соблюдением правильных инструкций.
Гарантийный ремонт осуществляется только в сервисных мастерских Atlas Copco или силами сертифицированных партнеров по обслуживанию.
предлагает расширенную гарантию и самое современное профилактическое техобслуживание в рамках договоров Atlas Copco ToolCover. Для получения дополнительной информации обратитесь к местному представителю по обслуживанию.
Для электродвигателей:
Гарантия действует только в том случае, если электродвигатель не вскрывался.
Веб-сайт
На веб-сайте Atlas Copco представлена информация о наших изделиях, принадлежностях, запасных частях, а также печатные материалы.
Посетите: www.atlascopco.com.
Программа ServAid
ServAid – постоянно обновляемый портал, на котором содержится следующая техническая информация.
Информация о нормативных требованиях и технике безопасности.
Технические данные
Инструкции по установке, эксплуатации и техобслуживанию.
Перечень запасных частей.
Принадлежности.
Габаритные чертежи
Посетите: https://servaid.atlascopco.com.
Для получения дополнительной информации обратитесь к местному представителю Atlas Copco.
Паспорта безопасности (MSDS / SDS)
В паспортах безопасности описаны химические продукты, продаваемые компанией Atlas Copco.
Посетите веб-сайт Atlas Copco, чтобы ознакомиться с более подробной информацией www.atlascopco.com/sds.
Страна происхождения
Информация о стране происхождения указана на этикетке изделия.
Габаритные чертежи
Габаритные чертежи находятся в архиве габаритных чертежей или на портале ServAid.
Посетите: http://webbox.atlascopco.com/webbox/dimdrw (Серые компрессоры) или https://servaid.atlascopco.com (Синие компрессоры).
Обзор
Данные выходной мощности для питания через порты Ethernet (PoE)
Максимальная выходная мощность в портах PoE (PoE 1 и PoE 2) составляет 15,4 Вт в соответствии со стандартом PoE IEEE 802.3af (2003).
В случае использования кабеля Ethernet максимальной длины 100 м выходная мощность на удаленном конце может достигать 12,95 Вт по причине потери мощности в кабеле Ethernet.
Технические характеристики изделия
Технические данные продуктов приведены в ServAid или на веб-сайте Atlas Copco.
Посетите: https://servaid.atlascopco.com (Серые компрессоры) или www.atlascopco.com (Синие компрессоры).
Линейное напряжение
Power Focus S HV работает на трехфазном напряжении, 400-480 В.
Потребляемая мощность
Для расчета потребления мощности и тока используйте приведенную ниже таблицу. Поскольку средние значения тока зависят от циклов затяжки в конкретной установке, приведенные ниже значения следует рассматривать только в качестве типичных примеров.
Размер двигателя | Средняя мощность (Вт) | Пиковый ток (А)1 | Количество шпинделей на каждом предохранителе | Количество шпинделей на одном Main Switch Box 2 | Потеря мощности TC (Вт) |
QST 34 | 90 | 1,1 | 3 | 60 | 45 |
QST 42 | 100 | 1,3 | 3 | 50 | 50 |
QST 50 | 110 | 2,0 | 3 | 36 | 55 |
QST 62 | 140 | 2,7 | 3 | 24 | 60 |
QST 80/90 | 190 | 3,4 | 3 | 18 | 70 |
1 В среднем максимум 2 сек. во время затяжки.
2 Эти числа основаны на Main Switch Box, подключенном к входному предохранителю 63 А с медленными характеристиками.
Установка
Требования к установке
Контрольный список для установки
Контроллер Power Focus S HV предназначен для контроля и управления сборочными электроинструментами. Рабочая система включает следующее:
Power Focus S HV.
Main Switch Box (MSB) или Main Switch Box II (MSB II) и, возможно, совместимый Distribution Box (DB) или Distribution Box II (DB II).
Кабель инструмента различных моделей и различной длины.
Электроинструмент.
Обзор контроллера

1 | Разъем аварийного останова |
2 | Ввод аварийного останова |
3 | Разъем вентилятора |
4 | Ethernet: Сервисный порт |
5 | Дистанционный пусковой переключатель |
6 | Вывод 24 В |
7 | Вывод аварийного останова |
8 | Ethernet: Порт B |
9 | Ethernet: Заводской порт/порт A |
Инструкция по установке
Монтаж контроллера
Для максимальной эффективности работы инструмента убедитесь, что контроллер смонтирован так, чтобы был обеспечен свободный поток воздуха. Это улучшает охлаждение контроллера.
Закрепите монтажную пластину на стене или стальной плите тремя винтами M6. При монтаже на стену обязательно используйте соответствующий настенный кронштейн (на винтах с пластиковыми дюбелями). При монтаже на стальную плиту убедитесь, что ее толщина составляет не менее 2 мм.
Прикрепите контроллер к монтажной пластине, сначала наклонив его, а затем вставив верхний фланец монтажной пластины в прорезь на задней стороне контроллера. Сдвиньте контроллер вниз, чтобы зафиксировать стопорный механизм.
Установите ремень держателя между стеной и кабельным каналом.
Откройте переднюю дверцу доступа контроллера.
Подключите кабель питания к разъему питания.
Подключите кабель инструмента к разъему на нижней стороне контроллера.
Подключите кабель питания к электросети.
После подключения всех контроллеров переведите переключатель питания MSB/MSB II в положение «ON» (Вкл.).
На нижней задней стороне контроллера имеется дополнительная точка заземления с резьбой. В точку заземления входит винт М4. Дополнительное заземление не заменяет заземление от настенной розетки.
Кнопка аварийного останова
Устройство отключения питания может использоваться в качестве органа аварийного останова, если оно легко доступно оператору и имеет тип, описанный в стандарте EN 60204-1:2006, 5.3.2 a), b), c) или d). Если предполагается такое использование, устройство отключения питания должно быть выкрашено в красный цвет и расположено на желтом фоне. (См. стандарт EN 60204-1:2006, 10.7.5.)
Конфигурирование дистанционного запуска для одного или нескольких контроллеров
Переключатель дистанционного запуска расположен на соединительной плате за передней дверцей доступа.
В случае активации дистанционного запуска необходимо внедрить решение для аварийного останова с целью обеспечения безопасности.
Аварийный останов
Контроллер Power Focus S HV оснащен инфраструктурой, необходимой для реализации функции аварийного останова с резервным размыканием цепи в соответствии со стандартом EN ISO 13849-1, категория 3 PL d. Функцию аварийного останова необходимо задействовать при использовании возможности дистанционного пуска.
Функция аварийного останова может использоваться совместно с устройством отключения питания (таким как кнопка аварийного останова EM Stop). При нажатии кнопки прекращается подача напряжения на привод контроллера.
Функция аварийного останова может использоваться с одним или несколькими (до 10) контроллерами в единой цепи аварийного останова. В конфигурации с несколькими контроллерами сигнал аварийного останова распространяется от первого ко всем подключенным друг к другу контроллерам с помощью ввода аварийного останова и вывода аварийного останова. Последний контроллер в цепи возвращает сигнал обратной связи, указывающий на то, что сигнал аварийного останова получен всеми контроллерами. Отображается состояние Аварийный останов.
Для выполнения аварийного останова имеется выход 24 В пост. т, проходящий через разъем аварийного останова на соединительной плате.
Сценарии соединения аварийного останова
Возможны следующие сценарии соединения:
Сценарий 1: аварийный останов (EM Stop), один контроллер с дистанционным пусковым переключателем, установленным на ВКЛ.
Сценарий 2: аварийный останов (EM Stop), несколько контроллеров с дистанционными пусковыми переключателями, установленными на ВКЛ.
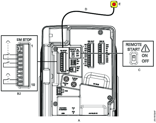
Сценарий 1: аварийный останов (EM Stop), один контроллер с дистанционным пусковым переключателем, установленным на ВКЛ.

Один контроллер с аварийным остановом (EM Stop).
A | Контроллер |
B2 | Начальная конфигурация аварийного останова (EM Stop) и конфигурация с закольцовыванием аварийного останова (EM Stop) |
C | Дистанционный пусковой переключатель установлен на ВКЛ. |
D | Кабель кнопки аварийного останова (EM Stop) подключен к разъему аварийного останова (EM Stop). |
E | Кнопка аварийного останова (EM Stop) |
В этом сценарии аварийный останов (EM Stop) используется с одним контроллером. Дистанционный пусковой переключатель соединительной платы установлен на ВКЛ. Разъем аварийного останова (EM Stop) требует начальной конфигурации аварийного останова (EM Stop) В2 и конфигурацию с закольцовыванием аварийного останова (EM Stop).
Сценарий 2: аварийный останов (EM Stop), несколько контроллеров с дистанционными пусковыми переключателями, установленными на ВКЛ.

Несколько подключенных друг к другу контроллеров с аварийным остановом (EM Stop).
A1 | Первый контроллер |
A2 | Промежуточный контроллер |
A3 | Последний контроллер |
B2 | Начальная конфигурация аварийного останова (EM Stop) |
B3 | Конфигурация обхода аварийного останова (EM Stop) |
B4 | Конфигурация с закольцовыванием аварийного останова (EM Stop) |
C | Дистанционный пусковой переключатель установлен на ВКЛ. |
D | Кабель кнопки аварийного останова (EM Stop) подключен к разъему аварийного останова (EM Stop). |
E | Кнопка аварийного останова (EM Stop) |
F | Кабели ввода/вывода соединены между вводом аварийного останова (E-STOP IN) и выводом аварийного останова (E-STOP OUT). |
G | Кабели Ethernet подключены между портами PoE |
В этом сценарии аварийный останов (EM Stop) используется с несколькими контроллерами, которые подключены друг к другу с помощью кабелей ввода/вывода (кабели Ethernet RJ45). Кабели ввода/вывода между контроллерами подключены к портам PoE (PoE 1, PoE 2). У каждого контроллера дистанционный пусковой переключатель соединительной платы установлен на ВКЛ. Конфигурация разъема аварийного останова (EM Stop) различается в зависимости от местонахождения контроллера в цепочке:
Разъем аварийного останова (EM Stop) первого контроллера требует начальной конфигурации.
Разъем аварийного останова (EM Stop) любого промежуточного контроллера требует конфигурации обхода.
Разъем аварийного останова (EM Stop) последнего контроллера требует конфигурации с закольцовыванием.
Конфигурации разъема аварийного останова (EM Stop)
Возможны следующие конфигурации разъема аварийного останова (EM Stop):
Начальная конфигурация аварийного останова (EM Stop).
Конфигурация обхода аварийного останова (EM Stop).
Конфигурация с закольцовыванием аварийного останова (EM Stop).
Начальная конфигурация аварийного останова (EM Stop)

Разъем кнопки аварийного останова (EM Stop): Phoenix, 10-конт. соединители с шагом 3,5 мм.
Используйте следующую конфигурацию контактов:
Контакт | Название контакта | Эксплуатация |
|---|---|---|
1 | EM_NC1 | Подсоедините кнопку сброса к контактам 1 и 2. |
2 | EM_STOP+ | См. контакт 1. |
3 | EM_STOP+ | Подсоедините аварийную кнопку к контактам 3 и 4. |
4 | 24V_ISOL_EXT | См. контакт 3. |
5 | EM_STOP- | Не использовать. |
6 | Заземление | Подсоедините аварийную кнопку к контактам 6 и 7. |
7 | EM_BYPASS_STOP- | См. контакт 6. |
8 | EM_BYPASS_NC | Установите перемычку между контактами 8 и 9. |
9 | EM_RESET_IN | См. контакт 8. |
10 | EM_NC_2 | Не использовать. |
Конфигурация обхода аварийного останова (EM Stop)

Разъем кабеля ввода-вывода EM Stop: Phoenix, 10-конт.
Извлеките штепсель или используйте следующую конфигурацию контактов:
Контакт | Название контакта | Эксплуатация |
|---|---|---|
1 | EM_NC1 | Не использовать. |
2 | EM_STOP+ | Не использовать. |
3 | EM_STOP+ | Не использовать. |
4 | 24V_ISOL_EXT | Не использовать. |
5 | EM_STOP- | Не использовать. |
6 | Заземление | Не использовать. |
7 | EM_BYPASS_STOP- | Не использовать. |
8 | EM_BYPASS_NC | Не использовать. |
9 | EM_RESET_IN | Не использовать. |
10 | EM_NC_2 | Не использовать. |
Конфигурация с закольцовыванием аварийного останова (EM Stop)
Разъем кабеля ввода-вывода EM Stop: Phoenix, 10-конт.

Используйте следующую конфигурацию контактов:
Контакт | Название контакта | Эксплуатация |
|---|---|---|
1 | EM_NC1 | Не использовать. |
2 | EM_STOP+ | Не использовать. |
3 | EM_STOP+ | Не использовать. |
4 | 24V_ISOL_EXT | Не использовать. |
5 | EM_STOP- | Установите перемычку между контактами 5 и 7. |
6 | Заземление | Не использовать. |
7 | EM_BYPASS_STOP- | См. контакт 5. |
8 | EM_BYPASS_NC | Установите перемычку между контактами 8 и 10. |
9 | EM_RESET_IN | Не использовать. |
10 | EM_NC_2 | См. контакт 8. |
Подключение кабелей
Провода кнопки EM Stop
Один/несколько контроллеров | Размер | Максимальная длина |
|---|---|---|
Один | Провод 0,7 мм2 | 400 метров |
Несколько | Провод 1,5 мм2 | 50 метров |
Кабели ввода-вывода
Для соединения нескольких контроллеров кабелями ввода-вывода, передающими сигнал аварийного останова, используйте максимальную длину в соответствии с таблицей ниже.
Кабель AWG 22 | Максимальная общая длина |
|---|---|
4 контроллеров | 200 метров |
5 контроллеров | 140 метров |
6 контроллеров | 100 метров |
8 контроллеров | 70 метров |
10 контроллеров | 50 метров |
Эксплуатация
Рекомендации по эргономике
При прочтении данного перечня общих эргономических рекомендаций соотносите их со своей рабочей станцией, чтобы понять, можно ли выявить области для улучшения с точки зрения положения оператора, размещения компонентов или производственных условий.
Чаще делайте перерывы в работе и меняйте рабочие положения.
Приспособьте пространство рабочего места в соответствии со своими потребностями и рабочим заданием.
Расположите детали и инструменты в удобной для вас зоне досягаемости во избежание статической нагрузки.
Используйте оборудование рабочего места, такое как столы и стулья, подходящее для рабочего задания.
Во время сборочных операций избегайте рабочих положений выше уровня плеч или со статической нагрузкой.
При работе на уровне выше плеч снижайте нагрузку на статические мышцы, уменьшая вес инструмента, используя, например, моментные рычаги, шланговые барабаны или весовые балансиры. Нагрузку на статические мышцы также можно уменьшить, держа инструмент близко к телу.
Делайте частые перерывы.
Избегайте крайних положений рук и запястий, особенно при выполнении операций, требующих определенных усилий.
Отрегулируйте удобное поле зрения, которое требует минимальное движение глаз и головы.
Используйте освещение, соответствующее рабочему заданию.
Выбирайте инструмент, соответствующий рабочему заданию.
В условиях высокого шума используйте средства защиты органов слуха.
Используйте высококачественные вставные инструменты и расходные материалы, чтобы свести к минимуму воздействие повышенных уровней вибрации.
Минимизируйте действие сил реакции.
При резке:
Отрезной круг может застрять, если он изогнут или не направляется надлежащим образом. Используйте соответствующие фланцы для отрезного круга и избегайте изгибания круга в процессе работы.
При сверлении:
Дрель может застопориться при выходе сверла из материала. Используйте опорные рукоятки, если крутящий момент при стопорении высок. В соответствии со стандартом безопасности ISO 11148, часть 3, рекомендуется использовать устройство для поглощения реактивного момента свыше 10 Нм для инструментов с пистолетной рукояткой и свыше 4 Нм для инструментов с прямым корпусом.
При использовании шуруповертов или гайковертов с прямым приводом необходимо учитывать следующее.
Силы реакции зависят от настроек инструмента и характеристик соединения. Сила и положение оператора при работе определяют способность оператора выдерживать силы реакции. Скорректируйте значение момента в соответствии с силой и положением оператора и используйте моментный рычаг или реактивную штангу, если момент слишком высок.
В условиях запыленности используйте систему вытяжки пыли или защитную маску.
Обслуживание
Предотвращение неполадок в ESD
Компоненты внутри продукта и контроллера чувствительны к электростатическому разряду. Во избежание сбоев в будущем, убедитесь, что ремонтное и техническое обслуживание выполняется в рабочей среде с подтвержденной защитой от электростатического разряда. На рисунке ниже показан пример корректной сервисной рабочей станции.

Инструкции по техобслуживанию
Рекомендации по обслуживанию
Профилактическое техобслуживание рекомендуется проводить с регулярными интервалами. См. подробную информацию по профилактическому техобслуживанию. Если изделие не работает надлежащим образом, его необходимо вывести из работы и проверить.
Если подробная информация по профилактическому техобслуживанию не входит в комплект поставки, следуйте приведенным ниже общим рекомендациям.
Замените все дефектные и изношенные детали.
Утилизация
Предписания по защите окружающей среды
После окончания срока службы устройства его необходимо утилизировать надлежащим образом. Разберите устройство и утилизируйте его компоненты в соответствии с местным законодательством.
Аккумуляторы следует передать в организацию по утилизации аккумуляторных батарей в вашей стране.
Информация по утилизации

Поз. | Деталь | Утилизировать как... |
|---|---|---|
1 | Шасси | Металл, алюминий |
2 | Резиновые ножки | Резина |
3 | Винт | Металл, сталь |
4 | Настенное крепление | Металл, сталь |
5 | Винт | Металл, сталь |
6 | Винт | Металл, сталь |
7 | Рукоятка | Металл, цинк |
8 | Соединительная плата | Электронное оборудование (WEEE) |
9 | Крышка разъема | Пластик, другие материалы, ПК/АБС |
10 | Ремень | Пластик, другие материалы, ПА + металлическая клемма, металл, алюминий, медь |
11 | Винт | Металл, сталь |
12 | Внутренняя часть лицевой панели | Пластик, другие материалы, ПК/АБС |
13 | Лицевая панель | Пластик, другие материалы, ПК/АБС |
14 | Светопровод | Пластик, другие материалы, ПК |
15 | Модуль SKiiP | Электронное оборудование (WEEE) |
16 | Передний держатель | Металл, сталь |
17 | Винт | Металл, сталь |
18 | Прокладка зазора | Пластик, другие материалы, бессиликоновый полимер |
19 | Плата тормозного прерывателя | Электронное оборудование (WEEE) |
20 | Основная плата | Электронное оборудование (WEEE) |
21 | Винт | Металл, сталь |
22 | Крышка, модуль SKiiP | Металл, сталь |
23 | Винт | Металл, сталь |
24 | Винт | Металл, сталь |
25 | Кабельный канал | Металл, сталь |
26 | Винт | Металл, сталь |
27 | Кабельный жгут | Электронное оборудование (WEEE) |
28 | Защитный щиток | Металл, алюминий, цинк |
29 | Плата TPLC | Электронное оборудование (WEEE) |
30 | Винт | Металл, сталь |
31 | Крышка шасси | Металл, алюминий |
32 | Шайба | Металл, сталь |
33 | Винт | Металл, сталь |