DISTRIBUTION BOX
Power supply
产品信息
一般信息
安全警示语
危险、警告、小心和注意等安全警示语的意思如下:
危险 | 危险表示一种危险的情况,如果不能避免,将会导致死亡或严重伤害。 |
警告 | 警告表示一种危险的情况,如果不能避免,可能导致死亡或严重伤害。 |
小心 | 小心与安全警告标志一起使用,表示一种危险的情况,如果不能避免,可能会导致轻微或中等程度的伤害。 |
注意 | 注意用于指示与个人伤害无关的操作。 |
质保
产品保修期将在 Atlas Copco 配送中心发货后的 12+1 个月后到期。
保修不包括部件正常的磨损和断裂。
“正常磨损和断裂部件”是指在工具常规维护期内,需要更换、进行其他调整/大修的部件(以时间、运行时数或其他形式表示)。
产品保修以工具及组件的正常使用、维护和修理为前提。
本保修不适用于在保修有效期内因维护保养不当或由 Atlas Copco 及其授权维修服务合作伙伴之外的他方进行维修保养而造成的损坏部件。
要避免工具零配件损坏或断裂,请按建议的维护周期保养工具并严格遵守说明操作。
保修类修理仅在 Atlas Copco 维修间或由获得授权的维修服务合作伙伴处理。
Atlas Copco 通过 ToolCover 合约提供延保及最佳的预防维护服务。有关详情,请联系您当地的服务代表。有关详情,请联系您当地的服务代表。
电动马达:
保修仅适用于未打开过的电动马达。
网站
有关我们的产品、配件、备件和已发布事项的信息,请访问 Atlas Copco 网站。
请访问:www.atlascopco.com.
ServAid
ServAid 是一个持续更新的门户网站,含有技术信息,例如:
法规和安全信息
技术数据
安装、操作和维修说明
备件列表
附件
尺寸图
请访问:https://servaid.atlascopco.com.
如需进一步的技术信息,请联系您当地的 Atlas Copco代表。
安全数据表 MSDS/SDS
安全数据表描述了 Atlas Copco销售的化学产品。
有关更多信息,请访问 Atlas Copco网站 www.atlascopco.com/sds。
原产地
对于原产地,请参见产品标签上的信息。
尺寸图
尺寸图可以在尺寸图存档或 ServAid 上找到。
请访问:http://webbox.atlascopco.com/webbox/dimdrw或 https://servaid.atlascopco.com。
概览
应用
DISTRIBUTION BOX 是用于下列 Atlas Copco 控制器的配电装置:
PowerMACS 4000
Power Focus 8 HV
Power Focus S HV
PF6 FlexSystem
主要部件和功能
DISTRIBUTION BOX 的主要部件和功能如下:
一个主开关。
一个过流保护开关。
最多可连接 6 台装置。
保险丝和功耗
DISTRIBUTION BOX 包含两个 10A 自动慢熔保险丝,三个连接器每侧各一个。每个保险丝最多可连接三个控制器。
最大输入保险丝为 63 A。
使用下表计算功率和电流消耗。由于平均电流取决于特定安装中的拧紧循环,因此下面的值仅可被视为一般示例。
马达尺寸 | 平均功率 (W) | 峰值电流 (A)1 | 各保险丝上的转轴数量 | 一个Main Switch Box 上的转轴数量2 | 控制器功率损失 (W) |
QST 34 | 100 | 1.1 | 3 | 60 | 45 |
QST 42 | 110 | 1.3 | 3 | 50 | 50 |
QST 50 | 120 | 2.0 | 3 | 36 | 55 |
QST 62 | 150 | 2.7 | 3 | 24 | 60 |
QST 80/90 | 200 | 3.4 | 3 | 18 | 70 |
1 拧紧操作期间,最大 2 秒内的平均值。
2 这些数值基于连接到具有慢特性的 63 A 输入保险丝的Main Switch Box。
产品技术数据
产品技术数据可以在 ServAid 或 Atlas Copco网站上找到。
请访问:https://servaid.atlascopco.com或 www.atlascopco.com。
详细功能说明
DIN 导轨
DISTRIBUTION BOX 的标准 35 mm DIN 导轨上有一些备用空间,可根据客户特定需求加装安全继电器或电源等。
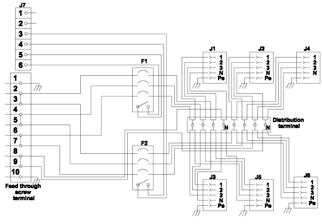
主要原理图
配电箱和主开关盒类似,但没有配置主开关。配电箱的主要原理图如下所示:

Distribution Box 包含 6 个三相插座,分为两组,一组由 J1、J2 和 J4 组成,另一组由 J3、J5 和 J6 组成。每组插座都配有 10A 微型断路器(F1 和 F2)。
用户区连接器
DISTRIBUTION BOX 有一个用户区和一个服务区。
DISTRIBUTION BOX 用户区的安装必须由专业人员进行。
打开 DISTRIBUTION BOX 的前部,即可进入用户区。打开前部,可以看到所有用于连接 Atlas Copco 装置和状态指示的连接器。电缆从 DISTRIBUTION BOX 底部引出。

1 | J1 插座,第 1 组 |
2 | J2 插座,第 1 组 |
3 | J3 插座,第 1 组 |
4 | J4 插座,第 2 组 |
5 | J5 插座,第 2 组 |
6 | J6 插座,第 2 组 |
7 | 断路器,第 1 组 |
8 | 断路器,第 2 组 |
9 | X1:指示连接器 |
服务区连接器
DISTRIBUTION BOX 有一个用户区和一个服务区。
电源接通时,不得连接或断开 DISTRIBUTION BOX 与控制器之间的电源电缆。
DISTRIBUTION BOX 的服务区可以打开,以便连接电缆。只有获得授权的人员才能进行这项操作,方法是拧松开关盒前部的一些螺丝。
进线电缆以及将 DISTRIBUTION BOX 连接到其他装置的电缆均连接在螺纹端子上。电缆通过应力消除软线连接器连接。

状态指示连接器
状态指示 (X1) 连接器位于用户区。连接器为 Phoenix MC 1.5/6-ST-3.81 型。
DISTRIBUTION BOX 用户区的安装必须由专业人员进行。
引脚 | 描述 |
|---|---|
1-2 | 未使用。 |
3-4 | 微型断路器位置。当断路器 (F2) 断开/跳闸时,无电势触点断开。 |
5-6 | 微型断路器位置。当断路器 (F1) 断开/跳闸时,无电势触点断开。 |
插座
DISTRIBUTION BOX 包含 6 个三相插座:J1、J2、J3、J4、J5 和 J6。插座位于用户区。
DISTRIBUTION BOX 用户区的安装必须由专业人员进行。
引脚 | 描述 |
|---|---|
1 | L1 相 |
2 | L2 相 |
3 | L3 相 |
4 | 零线 |
5 | 未使用。 |
6 | 地线 |
电源
Atlas Copco 高压控制器可与 Main Switch Box 或 Main Switch Box II 和 Distribution box 或 Distribution Box II 装置一起使用。如果控制器未连接到 Main Switch Box 或 Main Switch Box II,并且可以选择连接 Distribution Box 或 Distribution Box II,则必须使用以下配置:
安装一个可断开所有极点的外部认证电源开关。
为所有极点安装一个经认证的电源保险丝或其他经认证的过流保护装置。
输入电源的最大保险丝必须为 10 A。
主电源电压:三相 380–480 VAC ±10%,50/60 Hz 最大 10 A。
一般来说,Atlas Copco 高压控制器只能连接到三相接地工业电源。相/地电压不得超过 300 VAC。一般来说,TN (Terra/Neutral) 或 TT (Terra/Terra) 电源可满足这些要求。
次级绕组上带有接地星点的隔离变压器应连接到不接地电源(IT (Isolated/Terra) 电源)或相/地电压超过 300 VAC 的非对称接地电源。
连接示例:
首选使用 TN 或 TT 电源。

下面是使用最高 480 VAC(相间)电压(需要一个隔离变压器)的其他电源系统类型的一些示例。
示例
部件 | 描述 |
|---|---|
A | 工厂电源系统 |
B | 变压器 |
C | 主开关盒 |
示例 1

示例 2

示例 3

示例 4

示例 5

安装
安装说明
安装
如果当地法规没有另行规定,DISTRIBUTION BOX 可安装在任何正常工业环境中,无需任何额外围护。
安装 DISTRIBUTION BOX 时,需考虑以下几点:
将 DISTRIBUTION BOX 安装在容易接近的方便位置。
安装时,必须能够打开DISTRIBUTION BOX。
确保有足够的空间放置电缆。
环境温度不得超过 50°C。
所有装置必须使用电位均衡端子接地。将一根单独的接地线(面积至少为 2.5 mm2)从装置的专用连接点连接到均衡端子。接地点应与工具夹具的接地点相同。电线的作用是平衡系统中不同装置之间的电位差。
安装布局
标准电缆的长度适合安装 1 排 DISTRIBUTION BOX 和最多 3 排 1~6 个装置。 在使用高扭矩大主轴的系统中,应减少装置数量。请联系 Atlas Copco 服务技术人员以获取指导。
布线
进线电缆以及将 DISTRIBUTION BOX 连接到其他装置的电缆均连接在服务区内的螺纹端子上。
电缆要求:
连接的最大电缆面积为 10 mm2。
将 DISTRIBUTION BOX 连接到另一个装置的电缆的规格必须至少与进线电缆的规格相同。
如果 DISTRIBUTION BOX 与其他装置相连,则需要在 DISTRIBUTION BOX 之前安装一个外部保险丝。
接地
每个 DISTRIBUTION BOX 和控制器必须接地。在美国市场,必须使用 5.26 mm2 (10 AWG) 的接地线,在所有其他市场,必须使用 6 mm2 的接地线。
装置接地:
将接地线从壳体底部的一个螺纹螺柱 (A) 连接到安装板 (B)。
将第二根接地线从安装板 (B) 连接到工厂的中心接地点。

所有系统部件之间的接地电阻应 < 0.1 Ω。根据工具电缆长度和主轴数量以及它们的连接方式,有两种不同的替代方案来满足这一要求。QST 工具电缆接地电阻 <3 mΩ/m。
替代方案 1:
从安装板到主轴板,使用 16 mm2 的接地线。在美国,使用 13.29 mm2(6AWG,等于 1.4 mΩ/m)的电线。这将确保在所有应用中正确接地,与工具电缆长度和主轴数量无关。
示例 1:
一根带 60 米工具电缆的主轴:
R工具电缆 < 3 mΩ x 60 m = 180 mΩ
R地线 < 1.4 mΩ x 60 m = 84 mΩ
安装板和主轴板之间的电阻为并联电阻:
R总 = R工具电缆 // R地线 = 180 mΩ // 84 mΩ = 57 mΩ
该值 < 100 mΩ,为正常值。
替代方案 2:
在某些应用中,可以省略安装板与主轴板之间的额外地线:
如果工具电缆最大为 30 米。
如果使用两根或多根主轴,并在主轴侧接地,则工具电缆接地电阻以并联方式连接。在这种情况下,电阻将降低到安全水平。不同主轴板之间的电阻必须加到该值上。如果主轴连接到同一个金属夹具,则该值可以忽略不计,因为它将非常低。如果在主轴板之间使用接地线将主轴连接在一起,则必须添加此电阻。(一根 6 mm2 的电线 = 3 mΩ/m)。
以下两个示例对此进行了说明:
示例 2:
一根带 30 米工具电缆的主轴:
R工具电缆 < 3 mΩ x 30 m = 90 mΩ
该值 < 100 mΩ。不需要额外的地线。
示例 3
在两个主轴板之间连接一条长 1 米的 6 mm2 地线,从而将两根主轴连接起来(每根主轴各带一条长 60 米的工具电缆):
R工具电缆 < 3 mΩ x 60 m / 2 = 90 mΩ(两条工具电缆并联)。
R主轴板 = 3 mΩ/m x 1 m = 3 mΩ
R总 = 90 + 3 mΩ = 93 mΩ
该值 < 100 mΩ。不需要额外的地线。
操作
人体工学指导准则
通读此一般人体工学指导准则列表时考虑您的工作台,找出在姿势、组件放置或工作环境方面可以改进的地方。
请频繁地间歇并更换作业位置。
根据需求和工作任务调整工作台区域。
通过确定需要放置零件和工具的位置调整出方便的范围,避免静态运功。
使用工作台设备,例如适合工作任务的桌椅。
避免作业位置高于肩部水平线或在装配操作期间静态持握工具。
在肩部水平线以上位置作业时,通过减轻工具重量来减少静态的肩部肌肉负担,例如使用扭矩臂、软管卷盘或重量平衡器。您也可以通过在近身位置持握工具来减轻静态的肩部肌肉负担。
经常休息。
避免肩部或腕部使用极端姿势,尤其在需要使用一定力量的操作过程中。
调整出方便的视野,使眼睛和头部的运动最少。
处理工作任务时使用适当的照明。
处理工作任务时选择适当的工具。
在嘈杂的环境中,请使用护耳设备。
使用高质量插入式工具和消耗品以最大限度减少暴露于过度振动的情况。
尽量减少在反作用力情况下的暴露。
切割时:
如果切割轮弯曲或者未正确予以引导,则切割轮可能会卡住。针对切割轮使用正确的法兰,并在操作过程中避免弯曲切割轮。
钻孔时:
当钻头打穿时,钻孔机可能会停转。如果停转扭矩高,请使用支撑手柄。安全标准 ISO11148 第 3 部分建议,对于枪柄式工具使用可吸收 10 Nm 以上反作用扭矩的设备,对于直柄式工具,使用可吸收 4 Nm 以上反作用扭矩的设备。
使用直接驱动螺丝刀或扳手时:
反作用力取决于工具的设置和连接件的特性。力量和姿势决定了操作员可以承受的反作用力大小。调整扭矩设置,以适合操作人员的力量和姿势,如果扭矩过高,则使用扭矩臂或反作用杆。
在多尘环境中,请使用除尘系统或戴口罩。
维修
预防静电
产品和控制器内部的零部件对静电敏感。为了避免影响正常使用,确保在防静电的工作环境下对工具进行维护和保养。下图为相关的维修工作台示例。

维护说明
保养建议
建议定期进行预防性维护。请参见预防性维护的详细信息。如果产品工作不正常,请勿运行并对其检查。
如果未包含预防性维护的详细信息,须遵守一般操作指南:
更换任何故障或磨损零部件
